Оставьте заявку или вопрос
Консультация
Вы можете получить консультацию по любому интересующему Вас вопросу:
Почта: zakaz@ruprivod.ru
Телефон: 8 (903) 707-52-22
Частотные преобразователи серии Z-BK.
Компактный универсальный частотный преобразователь IDS-Drive серии Z-BK — представляет собой высокопроизводительное устроиство с векторным управлением, которое обладает несколькими режимами управления: бессенсорный векторный контроль скорости (SVC) в разомкнутом контуре, V/F управление. Продвинутый алгоритм векторного управления позволяет достичь более стабильной работы на малых скоростях и усилить момент на низких частотах.
Преобразователь частоты IDS-Drive серии Z-BK предназначен для работы в технологическом (насосы и вентиляторы, транспортирующие механизмы, экструдеры, миксеры и т.п.) и энергосберегающем оборудовании (станции управления насосами, системы климата и кондиционирования и т.п.). Богатый функционал управления электродвигателем этой серии позволит удовлетворить все современные требования к управлению электроприводом.
| Класс напряжения | Три фазы 380В | |||||||||||
| Диаметр монтажного отверстия | Φ 5 | Φ 6 | ||||||||||
| Вход | Номинальное входное напряжение (В) | Три фазы 380 ~ 440 В, -15% ~ 10% | ||||||||||
| Номинальный входной ток (А) | 1,9 | 3,4 | 5,0 | 5,8 | 10,5 | 14,6 | 20,5 | 26,0 | 35,0 | 38,5 | ||
| Номинальная входная частоты(Гц) | 50/60 Гц, ±5% | |||||||||||
| Выход | Применяемый мотор | кВт | 0,4 | 0,75 | 1,5 | 2,2 | 3,7 | 5,5 | 7,5 | 11 | 15 | 18,5 |
| HP | 0,5 | 1 | 2 | 3 | 5 | 7,5 | 10 | 15 | 20 | 25 | ||
| Выходной ток (А) | 1,5 | 2,1 | 3,8 | 5,1 | 9 | 13 | 17 | 25 | 32 | 37 | ||
| Полная мощность (KVA) | 1 | 1,5 | 3 | 4 | 5,9 | 8,9 | 11 | 17 | 21 | 24 | ||
| Допустимая перегрузка | 120% в течение 1 часа, 150% в течение 60 секунд и 180% в течение 2 секунд | |||||||||||
| Макс. выходное напряжение | Трехфазный 380В переменного тока (пропорционально входному напряжению) | |||||||||||
| Макс. выходная частота | 300Гц для управления SVC, 500Гц для управления U / F | |||||||||||
| Тормозное сопротивление | Рекомендуемая мощность, [кВт] | ≥ 0,15 | ≥ 0,15 | ≥ 0,15 | ≥ 0,25 | ≥ 0,30 | ≥ 0,40 | ≥ 0,50 | ≥ 0,80 | ≥ 1,00 | ≥ 1,30 | |
| Рекомендуемое сопротивление, мин. [Ω] | ≥ 300 | ≥ 300 | ≥ 220 | ≥ 200 | ≥ 130 | ≥ 90 | ≥ 65 | ≥ 43 | ≥ 32 | ≥ 25 | ||
| Тип охлаждения | Естественное | Принудительное | ||||||||||
| Модель | Полная мощность (KVA) | Номинальный Входной ток (А) | Номинальный Выходной ток (А) | (мм) | A (мм) | H (мм) | D (мм) |
| Входное напряжение: одна фаза 220В Диапазон: -15% ~ 20% | |||||||
| Z401T2BK | 1,0 | 5,8 | 2,5 | 85 | 110 | 140 | 127 |
| Z751T2BK | 2,0 | 10,2 | 5,0 | 85 | 110 | 140 | 127 |
| Z152T2BK | 2,8 | 14,0 | 7,0 | 85 | 110 | 140 | 127 |
| Z222T2BK | 4,4 | 25,0 | 11,0 | 85 | 110 | 140 | 127 |
| Z402T2BK | 6,6 | 39,0 | 16,5 | 95 | 114 | 180 | 148,33 |
| Z552T2BK | 8,0 | 48,0 | 20,0 | 95 | 114 | 180 | 148,33 |
| Входное напряжение: три фазы 380В Диапазон: -15% ~ 20% | |||||||
| Z751T4BK | 1,8 | 4,4 | 2,7 | 85 | 110 | 140 | 127 |
| Z152T4BK | 2,8 | 5,3 | 4,0 | 85 | 110 | 140 | 127 |
| Z222T4BK | 3,4 | 5,8 | 5,0 | 85 | 110 | 140 | 127 |
| Z402T4BK | 45,9 | 10,0 | 8,6 | 95 | 114 | 180 | 120 |
| Z552T4BK | 8,9 | 14,6 | 12,5 | 95 | 114 | 180 | 120 |
| Z752T4BK | 12,0 | 20,5 | 17,5 | 95 | 114 | 180 | 148,33 |
| Z113T4BK | 16,0 | 26,0 | 24,0 | 95 | 114 | 180 | 148,33 |
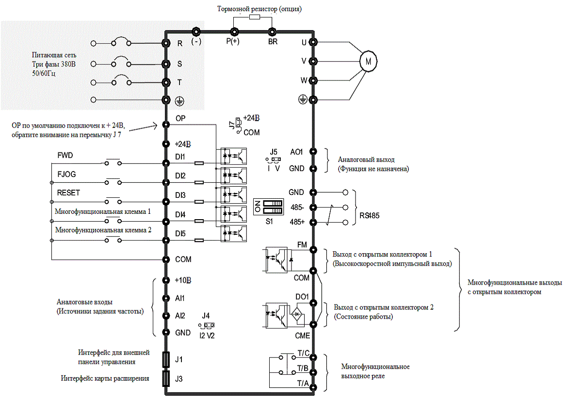
Схема подключения:
