Оставьте заявку или вопрос
Консультация
Вы можете получить консультацию по любому интересующему Вас вопросу:
Почта: zakaz@ruprivod.ru
Телефон: 8 (903) 707-52-22
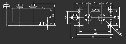
Твердотельные реле (однофазное) Серия GDH (400-550А).
Серия GDH (400-550А)
- высокие удельные характеристики
- высокая мощность и высокий ток
- входное регулирующие напряжение от 4 до 16Vdc, от 3 до 32Vdc или от 90 до 250Vac
- высокий вольтаж (1200 Vpk) для 480 Vrms серии
- емкость 10 pf
- LED - индикация для входного контроля
- две версии исполнения: управление через 0 "Zero Voltage и случайное переключение "Random Switching"
- оптическая изоляция (вход/выход) 4000 Vrms
- рабочая температура -30 - +80oC
- температура хранения -30 - +80oC
Структура условного обозначения:
G DH 400 48 Z D1
1 2 3 4 5 6
1. G - обозначение серии(Greegoo SSR)
2. D - тип монтирования (D: AC однофазное твердотельное реле)
3. 400 - рабочий ток (400: 400A, 450: 450A, 500: 500A, 550: 550A)
4. 48 - рабочее напряжение ( 28: 280Vac, 48: 448Vac)
5. Z - способ переключения (Z: управление через 0, R: случайное переключение)
6. D1 - входное регулирующие напряжение (D1: DC 4-16V, D3: DC 3-32V, А2: AC 90-250V)
| Входное регулирующие напряжение | D1: 4-16 Vdc | D3: 3-32 Vdc | A2: 90-250 Vac |
| Входной ток (max.) | 13/42 mAdc @=5V/12V | 13/16 mAdc @=5V/12V | 29 mAac @=220V |
| Напряжение включения | 4 Vdc | 3 Vdc | 90 Vac |
| Напряжение отключения | 1 Vdc | 1 Vdc | 10 Vac |
| Обратное напряжение | 32 Vdc | 32 Vdc | / |
| LED Дисплей | Да | Да | Да |
Выходные параметры:
| Максимальный ток нагрузки | Arms | 400 | 450 | 500 | 550 |
| Диапазон токов нагрузки | Arms | 0.05-400 | 0.05-450 | 0.05-500 | 0.05-550 |
| Ударный ток, 20 mSec(Max.) | Arms | 6000 | 6800 | 7200 | 8000 |
| Напряжение нагрузки (280V) | Vrms | 24-280 | 24-280 | 24-280 | 24-280 |
| TRIAC Over voltage (280V) | Vpk | >800 | >800 | >800 | >800 |
| Напряжение нагрузки (480V) | Vrms | 44-480 | 44-480 | 44-480 | 44-480 |
| TRIAC Over voltage (480V) | Vpk | >1200 | >1200 | >1200 | >1200 |
| Термическое сопротивление (Rthjc) | oC/W | 0.12 | 0.12 | 0.1 | 0.1 |
| Рабочая частота | Hz | 47-63 | 47-63 | 47-63 | 47-63 |
| Скорость нарастания напряжения в закрытом состоянии dV/dt | V/msec | 500 | 500 | 500 | 500 |
| Максимальный ток утечки в закрытом состоянии | mArms | <10 | <10 | <10 | <10 |
| Максимальное падение напряжения | Vrms | 0.5 | 0.5 | 0.5 | 0.5 |
| Максимальное время включения "Z" | период | 1/2 | 1/2 | 1/2 | 1/2 |
| Максимальное время включения "R" | mSec | 1 | 1 | 1 | 1 |
| Максимальное время отключения | период | 1/2 | 1/2 | 1/2 | 1/2 |
| Напряжение пробоя изоляции (вход/выход) | Vrms | 2500 | 2500 | 2500 | 2500 |
| Напряжение пробоя изоляции (вход-выход/базис) | Vrms | 2500 | 2500 | 2500 | 2500 |
| Тип | Рабочее напряжение, Vac | Управляющее напряжение | Рабочий ток, A |
| GDH40028ZD1 | 280 "Z" | 4-16 Vdc | 400 |
| GDH45028ZD1 | 280 "Z" | 4-16 Vdc | 450 |
| GDH50028ZD1 | 280 "Z" | 4-16 Vdc | 500 |
| GDH55028ZD1 | 280 "Z" | 4-16 Vdc | 550 |
| GDH40028ZD3 | 280 "Z" | 3-32 Vdc | 400 |
| GDH45028ZD3 | 280 "Z" | 3-32 Vdc | 450 |
| GDH50028ZD3 | 280 "Z" | 3-32 Vdc | 500 |
| GDH55028ZD3 | 280 "Z" | 3-32 Vdc | 550 |
| GDH40028ZA2 | 280 "Z" | 90-250 Vac | 400 |
| GDH45028ZA2 | 280 "Z" | 90-250 Vac | 450 |
| GDH50028ZA2 | 280 "Z" | 90-250 Vac | 500 |
| GDH55028ZA2 | 280 "Z" | 90-250 Vac | 550 |
| GDH40028RD1 | 280 "R" | 4-16 Vdc | 400 |
| GDH45028RD1 | 280 "R" | 4-16 Vdc | 450 |
| GDH50028RD1 | 280 "R" | 4-16 Vdc | 500 |
| GDH55028RD1 | 280 "R" | 4-16 Vdc | 550 |
| GDH40028RD3 | 280 "R" | 3-32 Vdc | 400 |
| GDH45028RD3 | 280 "R" | 3-32 Vdc | 450 |
| GDH50028RD3 | 280 "R" | 3-32 Vdc | 500 |
| GDH55028RD3 | 280 "R" | 3-32 Vdc | 550 |
| GDH40028RA2 | 280 "R" | 90-250 Vac | 400 |
| GDH45028RA2 | 280 "R" | 90-250 Vac | 450 |
| GDH50028RA2 | 280 "R" | 90-250 Vac | 500 |
| GDH55028RA2 | 280 "R" | 90-250 Vac | 550 |
| GDH40048ZD1 | 480 "Z" | 4-16 Vdc | 400 |
| GDH45048ZD1 | 480 "Z" | 4-16 Vdc | 450 |
| GDH50048ZD1 | 480 "Z" | 4-16 Vdc | 500 |
| GDH55048ZD1 | 480 "Z" | 4-16 Vdc | 550 |
| GDH40048ZD3 | 480 "Z" | 3-32 Vdc | 400 |
| GDH45048ZD3 | 480 "Z" | 3-32 Vdc | 450 |
| GDH50048ZD3 | 480 "Z" | 3-32 Vdc | 500 |
| GDH55048ZD3 | 480 "Z" | 3-32 Vdc | 550 |
| GDH40048ZA2 | 480 "Z" | 90-250 Vac | 400 |
| GDH45048ZA2 | 480 "Z" | 90-250 Vac | 450 |
| GDH50048ZA2 | 480 "Z" | 90-250 Vac | 500 |
| GDH55048ZA2 | 480 "Z" | 90-250 Vac | 550 |
| GDH40048RD1 | 480 "R" | 4-16 Vdc | 400 |
| GDH45048RD1 | 480 "R" | 4-16 Vdc | 450 |
| GDH50048RD1 | 480 "R" | 4-16 Vdc | 500 |
| GDH55048RD1 | 480 "R" | 4-16 Vdc | 550 |
| GDH40048RD3 | 480 "R" | 3-32 Vdc | 400 |
| GDH45048RD3 | 480 "R" | 3-32 Vdc | 450 |
| GDH50048RD3 | 480 "R" | 3-32 Vdc | 500 |
| GDH55048RD3 | 480 "R" | 3-32 Vdc | 550 |
| GDH40048RA2 | 480 "R" | 90-250 Vac | 400 |
| GDH45048RA2 | 480 "R" | 90-250 Vac | 450 |
| GDH50048RA2 | 480 "R" | 90-250 Vac | 500 |
| GDH55048RA2 | 480 "R" | 90-250 Vac | 550 |
